Remedy Equine Therapy
Shelley Forrest
Shelley Forrest is a certified Equine Massage Therapist and certified Magna Wave technician.
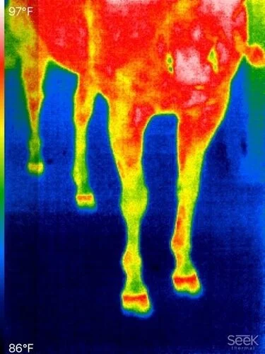
Remedy Equine Therapy provides FREE, no obligation Thermal Imaging! Technology to discover where your horse is sore!
Services
-

Equine Massage
Equine massage benefits include relaxation of muscle spasms, reduced muscle stiffness and soreness, reduced muscle swelling, increased flexibility, range of motion, and stride length. It helps with relaxation and increases focus.
-

Vetrolaser
Vetrolaser is a cold laser therapy device that utilizes spefic wave lengths of light to interact with tissue to increase circulation and help accelerate the healing process.
-

Magna Wave
Magna Wave is a pulsed electromagnetic field device that can penetrate every cell, tissue, organ, and bone with gentle magnetic pulses which stimulates and rejuvenates cells. Among a variety of other benefits, the healing process on average is increased by one third of the time it would normally take without the use of PEMF.